您好!欢迎访问特检院网站!
检验管理系统
首页
信息公开
机构介绍
通知公告
政策法规
工作动态
党建工作
收费公示
科技兴检
资质证书
办事中心
业务范围
办事指南
收费标准
评审委托
预决算公开
网上报检
(管道定检)
报告查询
网上报检(其他)
申请书下载
公众互动
联系我们
书记信箱
网站地图
您当前所在位置:
重庆市特种设备研究院网站
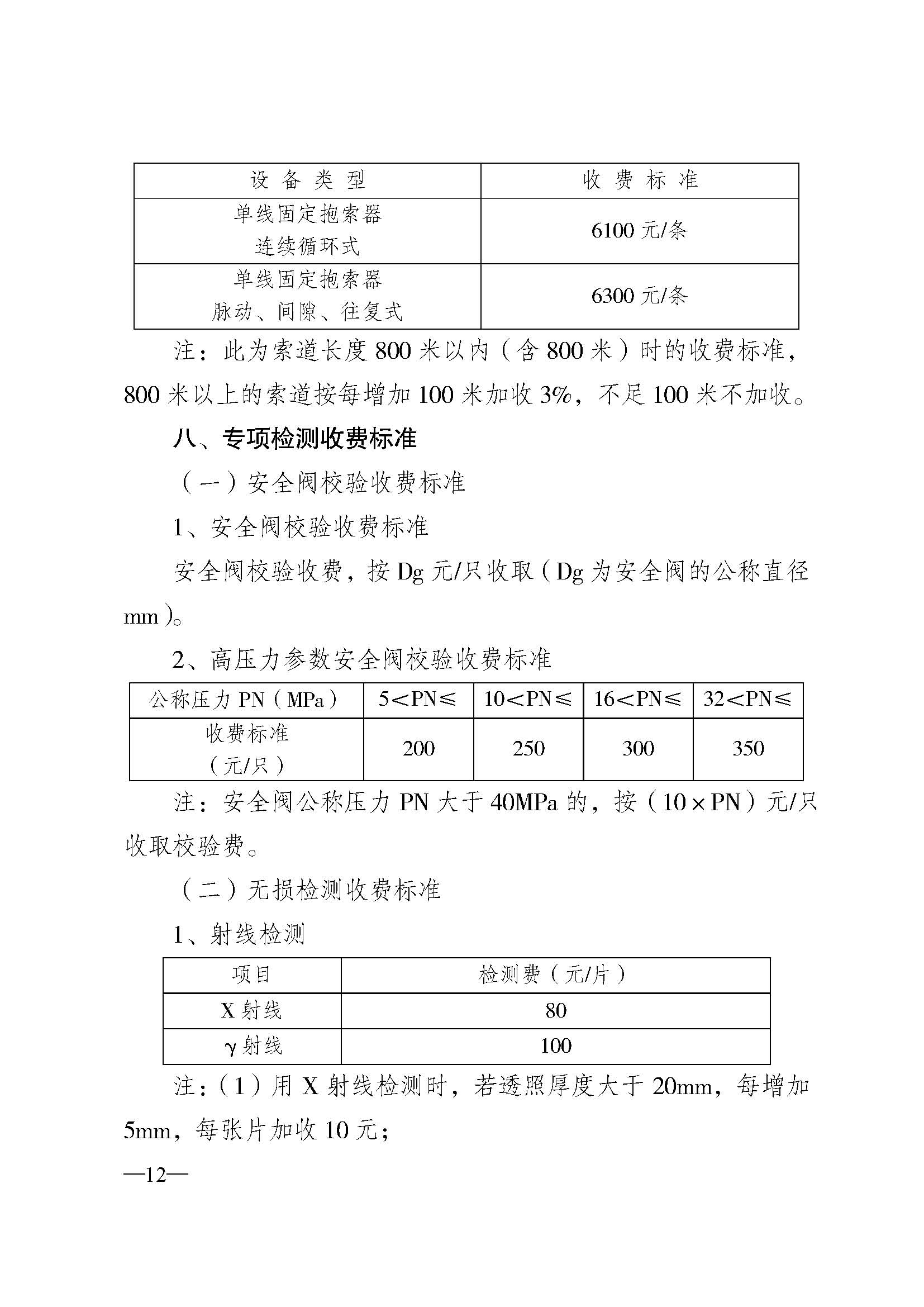
渝价〔2009〕243号 关于我市特种设备检验检测收费标准的通知
来源:市特检院
|
发布时间:
2013-07-30
重庆市特种设备研究院网站
友情链接
===友情链接===
国家市场监督管理总局
国家标准化管理委员会
中国国家认证认可监督管理委员会
重庆市市场监督管理局
重庆市药品监督管理局
重庆市知识产权局
中国特种设备检测研究院
重庆市质量和标准化研究院
重庆市计量质量检测研究院
重庆市质量安全考试中心
甘肃省特种设备检验检测研究院
版权所有:重庆市特种设备检测研究院
地址:重庆市两江新区芙蓉路 5 号
邮编:401121
重庆市特检客服
ICP备案号:渝ICP备10000682号-1
渝公网安备 50019002501833号